欢迎光临~上海南岱流体系统有限公司
语言选择:
∷
Toggle navigation
导航菜单
网站首页
公司简介
产品中心
UPVC管路系统
CPVC管路系统
塑胶阀门系列
FRP复合管路系统
辅材、半成品系列
新闻中心
公司新闻
行业新闻
下载中心
选型手册
使用参考
成功案例
最新案例
客户案例
在线留言
在线订购
联系我们
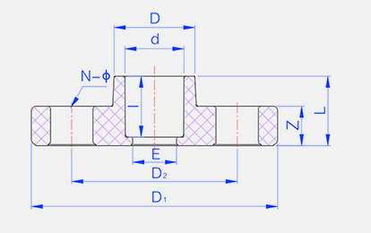
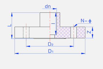
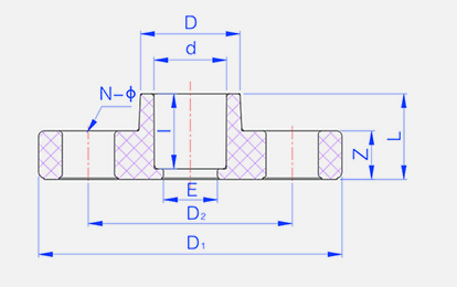
工业用CPVC管道系统
一体法兰
产品描述:
在线订购
GB:DIN
ANSI
GB/ANSI
上一个:
盲法兰
下一个:
活套法兰
相关产品
直通
90°弯头
外丝接头
闷盖
导航栏目
UPVC管路系统
+
给水用UPVC管路系统
工业用UPVC管路系统
UPVC 透明管路系统
膜管及组件系统
电子级水用(洁净型)UPVC管路系统
电子电缆通讯光缆用保护管系列
CPVC管路系统
+
工业用CPVC管道系统
民用冷热水CPVC管路系统
电子电缆通讯光缆用保护管系列
塑胶阀门系列
+
球阀系列
隔膜阀系列
蝶阀系列
止回阀系列
取样阀
自控阀门系列
FRP复合管路系统
+
FRP/UPVC管路系统
FRP/CPVC管理系统
辅材、半成品系列
+
板材
焊条
胶水
新闻中心
工业UPVC,CPVC
联系我们
电话:021-57686132
邮箱:nd@shndlt.com
地址: 上海市松江区
分享
手机
分类
顶部